Description
Introduction
Automatic filling capping machine is in order to meet the new century, the market demand of self-developed technology of large gland device. Its advanced design, processing means to close, the strict quality inspection. At the same time, our company can also according to the different requirements of customers to increase other functions, such as connecting CIP cleaning, pouch discharging-liquid level controlling, off the bag conveyor, PLC control system, to meet customer demand. The product has good appearance, practical, complete machine are made of stainless steel, meet the national health and safety standards, you can use it at easy.
Particular Advantages
- Two emergency stop buttons to keep production safe.
- Based on SIEMENS PLC and SIEMENS HMI control. Touch screen in English and Chinese languages.
- One key operation.
- Pouch feeding to rotary table automatic.
- No pouch not filling, cap feeding on spout failed alarm, air cylinder protection, air pressure protection, voltage phase protection.
- Adopted with leak-proof nozzles, filling volume can be adjusted easily.
- Capping by magnetic torque heads.
- All parts contact with product are made of SUS304 and food grade tubes.
Working Process

Examining 1:
While the machine is examining the pouch’s position whether good or not, if not, the corresponding filling head won’t work.
Examining 2:
While the machine is examining the cap whether steady or not, if not, it will start alarm and refuse to work
Technical parameters
| Model | IA-6N/XZX |
| Filling Nozzle | 6 Pieces |
| Packing Speed | 5400-6000 Bags/hour |
| Volume | 100-250 ml or Customize |
| Power | 3 Kw |
| Air Pressure | 415V / 3 Phase / 50 Hz or Customize |
| Air consumption | 0.5-0.7 Mpa |
| Dimension (LxWxH) | 3900 * 2650 * 2150 mm |
| Weight | 2000 Kg |
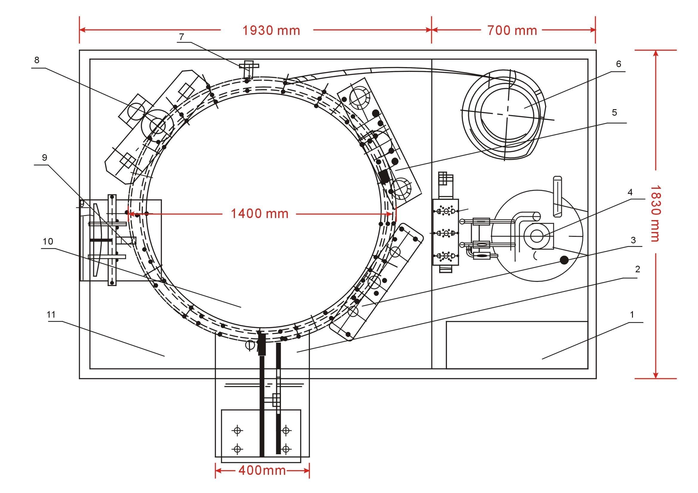
Structure
![]() |
|||
| 1 | Electrical Appliance Case | 7 | Photoelectric Device |
| 2 | Pouch Carrier | 8 | Cap-screwing Device |
| 3 | Filling Device | 9 | Finished Product Exit |
| 4 | Charging Basket | 10 | Turntable |
![]() |
|||
| 1 | Pouch Carrier | 6 | Cap-screwing Device |
| 2 | Filling Device | 7 | Turntable |
| 3 | Plunger Case | 8 | Finished Product Exit |
| 4 | Cleaning Device | 9 | Structure |
| 5 | Charging Basket | ||
Photos
Vibrating disk Filling unit
Spout cleaning unit Capping unit |








